
JF Engineering Products LLP manufacturer & exporter of Flanges availbale in various forms and size, standards like ASME B16.5 flanges, ASME B16.47 Flanges and ASME B16.36 flanges.These all standards availble in all type of flanges like Weld Neck Flanges, Blind Flanges, Spectacle Blind flanges, Slip on flanges, Orifice flanges and Threaded Flanges etc.
We have specialization to manufacture customized Flange per customers’ specifications, we welcome small quantity order.
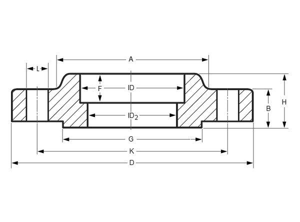
Socket weld flange is similar to the slip-on flange in outline, but the bore is counter-bored to accept pipe. Socket welding pipe flanges are typically used on smaller sizes of high pressure pipes. Socket weld flanges are widely used in high pressure systems such as hydraulic equipment and steam lines. Socket weld pipe flanges are attached by inserting the pipe into the socket end and then applying fillet weld around the hub of the flange.
This allows for a smooth bore and better flow of the fluid or gas inside of the pipe. An optional internal weld may be applied in high stress applications.
NPS 1 - ID = 34.5 - F = 12.7
| CL | 150 | 300 | 600 | 900 | 1500 | 2500 |
| DIA A |
49.2 | 54 | 54 | ... | 52 | ... |
| DIA D |
110 | 125 | 125 | ... | 150 | ... |
| THK B |
12.7 | 15.9 | 17.5 | ... | 28.6 | ... |
| 14.3 | 17.5 | 23.9 | ... | 35 | ... | |
| DIA G |
50.8 | 50.8 | 50.8 | ... | 50.8 | ... |
| DIA K |
79.4 | 88.9 | 88.9 | ... | 101.6 | ... |
| H | 16 | 25 | 27 | ... | 41 | ... |
| 17.6 | 26.6 | 33.4 | ... | 47.4 | ... | |
| NO. L |
4 | 4 | 4 | ... | 4 | ... |
| DIA L |
15.9 | 19.1 | 19.1 | ... | 25.4 | ... |
| Stud Bolts Diameter x Length | ||||||
| DIA (in) |
1/2 | 5/8 | 5/8 | ... | 7/8 | ... |
| Len mm |
65 | 75 | 90 | ... | 125 | ... |
Notes:
Products are packaged to ensure that there is no damage during transit. In case of exports, standard export packaging is done in wooden cases. All flanges are marked with Grade, Lot No, Size, Degree and our trade mark. On special requests we can also, make custom marking on our products.
At JF Engineering Products LLP, all fittings and flanges are subject to strict inspection at each stage of the production process, from starting material purchasing to product dispatch. They are visually examined for conformity to ASTM, ASME, MSS, DIN, EN, and JIS codes and standards. Upon request, official certified Inspection Agencies can be called in to witness the material reports, dimensions and quality conformity of products.
Delivery time and delivery dates are based on the "type and quantity" of steel ordered. Our sales team will provide a delivery schedule when quoting to you. On rare occasions the delivery schedule may change so please check with our sales department when placing any orders.
Orders will be sent out within 2-3 business days, and may take up to 5-10 business days in transit. If Flange is out of stock, orders may take up to 2-4 weeks to ship. JF Engineering Products LLP will notify buyer if this situation occurs..
JF Engineering Products LLP take immensure pleasure in introducing itself as one of the leading Manufacturer & Exporter of high quality ASME B16.5 Socket Weld Flange to meet the customer ultimate requirements in the fields of:
| Chemical | Oil Mills | Petrochemical | Mining | Refineries | Construction |
| Fertilizers | Shipbuilding | Power Plant | Steel Plant | Nuclear Power | Offshore |
| Oil & Gas | Defence | Paper | Ports | Breweries | Railway |
| Cement | Engineering Co. | Sugar & | Government Org. etc. |