
JF Engineering Products LLP manufacturer & exporter of Flanges availbale in various forms and size, standards like ASME B16.5 flanges, ASME B16.47 Flanges and ASME B16.36 flanges.These all standards availble in all type of flanges like Weld Neck Flanges, Blind Flanges, Spectacle Blind flanges, Slip on flanges, Orifice flanges and Threaded Flanges etc.
We have specialization to manufacture customized Flange per customers’ specifications, we welcome small quantity order.
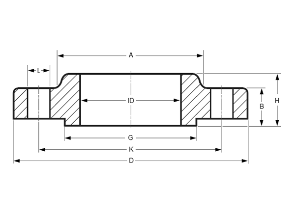
Slip-on pipe flange usually slips over the pipe. Slip-on pipe flanges are typically made with an inside diameter of the pipe flange slightly larger than the outside diameter of the pipe. This allows the slip-on flange to slip over the pipe. Slip-on pipe flanges are welded (usually both inside and outside) to provide strength and prevent leakage.
Slip-on pipe flanges can sometimes also have a boss/ring or hub, and can be made with a bore to suit either pipe or tube. Ring pipe flanges and hub pipe flanges are both considered slip-on pipe flanges because they both slip over the pipe.
NPS 1½ - I.D. 49.5
| CL | 150 | 300 | 600 | 900 | 1500 | 2500 |
| DIA A |
65 | 70 | 70 | 70 | 70 | ... |
| DIA D |
125 | 155 | 155 | 180 | 180 | ... |
| THK B |
15.9 | 19.1 | 22.3 | 31.8 | 31.8 | ... |
| 17.5 | 20.7 | 28.7 | 38.2 | 38.2 | ... | |
| DIA G |
73.2 | 73.2 | 73.2 | 73.2 | 73.2 | ... |
| DIA K |
98.4 | 114.3 | 114.3 | 123.8 | 123.8 | ... |
| H | 21 | 29 | 32 | 44 | 44 | ... |
| 22.6 | 30.6 | 38.4 | 50.4 | 50.4 | ... | |
| NO. L |
4 | 4 | 4 | 4 | 4 | ... |
| DIA L |
15.9 | 22.2 | 22.2 | 28.6 | 28.6 | ... |
| Stud Bolts Diameter x Length | ||||||
| DIA (in) |
1/2 | 3/4 | 3/4 | 1 | 1 | ... |
| Len mm |
70 | 90 | 110 | 140 | 140 | ... |
Notes:
Products are packaged to ensure that there is no damage during transit. In case of exports, standard export packaging is done in wooden cases. All flanges are marked with Grade, Lot No, Size, Degree and our trade mark. On special requests we can also, make custom marking on our products.
At JF Engineering Products LLP, all fittings and flanges are subject to strict inspection at each stage of the production process, from starting material purchasing to product dispatch. They are visually examined for conformity to ASTM, ASME, MSS, DIN, EN, and JIS codes and standards. Upon request, official certified Inspection Agencies can be called in to witness the material reports, dimensions and quality conformity of products.
Delivery time and delivery dates are based on the "type and quantity" of steel ordered. Our sales team will provide a delivery schedule when quoting to you. On rare occasions the delivery schedule may change so please check with our sales department when placing any orders.
Orders will be sent out within 2-3 business days, and may take up to 5-10 business days in transit. If Flange is out of stock, orders may take up to 2-4 weeks to ship. JF Engineering Products LLP will notify buyer if this situation occurs..
JF Engineering Products LLP take immensure pleasure in introducing itself as one of the leading Manufacturer & Exporter of high quality ASME B16.5 Slip On Flange to meet the customer ultimate requirements in the fields of:
| Chemical | Oil Mills | Petrochemical | Mining | Refineries | Construction |
| Fertilizers | Shipbuilding | Power Plant | Steel Plant | Nuclear Power | Offshore |
| Oil & Gas | Defence | Paper | Ports | Breweries | Railway |
| Cement | Engineering Co. | Sugar & | Government Org. etc. |